岡本無線電機の通販サイト | E-JUNCTION(イージャンクション)

  • お見積り依頼
  • お問い合わせ

カテゴリーカテゴリーから探す

5,000円(税込5,500円)以上のご購入で送料無料!5,000円(税込5,500円)以上のご購入で送料無料!

SEMITEC CRD Eシリーズ(アキシャルリードタイプ) E-102

SEMITEC CRD Eシリーズ(アキシャルリードタイプ) E-102

E-Junction価格 : 51円(税込56.10 円)

  • 注目
  • RoHS10対応

標準納期:4ヶ月

最低注文数:500    注文単位数:500 (単位:個)

メーカー:SEMITEC(セミテック)

メーカー品番 :E-102

メーカーサイトへ

<CRD Eシリーズ(アキシャルリードタイプ)>
定電流ダイオードCRD(Current Regulative Diode)は、小型で、安定した定電流特性を 供給する素子です。
定電流ダイオードCRD Eシリーズは、DO-35 スタイルのDHD(Double Heatsink Diode)構造です。

●気密封止で高信頼性
●部品材料が安価で量産性に優れている
●DO35(300mW)パッケージを使用した小型素子

ピンチオフ電流(代表値):1.00mA
最高使用電圧:100V

※写真はイメージです。

数量

  • 単価 ¥

    51円(税込56.10 円)

5,000円(税込5,500円)以上の購入で送料無料です。
5,000円(税込5,500円)未満の場合、一律1,000円(税込1,100円)の送料をご負担頂きます。

(0 個) 小計: ¥0(税込:0)

■用途例

SEMITEC CRD Eシリーズ(アキシャルリードタイプ) E-102
画像を拡大する

・LED輝度安定用の定電流供給
・LED蛍光灯、LED街路灯、LED電球、LEDダウンライト
・ツエナーダイオードに定電流を供給する定電圧回路
・近接センサ等、各種センサへの定電流供給
・バッテリーの充放電回路
・電解コンデンサの通電エージング装置
・各種半導体の定電流での検査装置
・通信回線のイーターフェース
・漏電遮断機
・圧電アクチュエータへの電流供給
・安定化電源回路

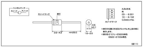
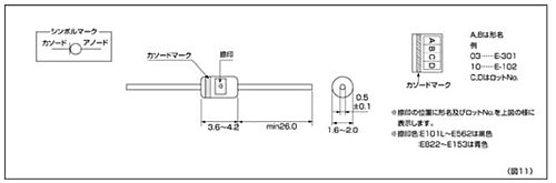
■外形寸法図

SEMITEC CRD Eシリーズ(アキシャルリードタイプ) E-102
画像を拡大する