JavaScript を有効にしてご利用下さい.
岡本無線電機の通販サイト | E-JUNCTION(イージャンクション)
カテゴリーから探す
メーカーから探す
初めてご利用になる方へ
お支払いについて
よくあるお問い合わせ
産業用ロボット向け ソリューション
同軸ソリューション
通信技術ソリューション
電源デバイスソリューション
システムソリューション
ものづくりソリューション
生産設備ソリューション
かんたん30秒!!【無料会員登録】お問い合わせはコチラのページから
メーカー標準価格 :個別見積
☆ お気に入りに追加
標準納期:
最低注文数:0 注文単位数:0 (単位:個)
メーカー:マックエイト(MAC8)
メーカー品番 :4SN
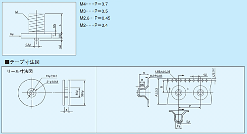
自動挿入機対応の表面実装用ネジです。下のポッチは位置ずれを防ぐためにつけてあります。1φのスルーホール穴をあけてください。色々な物を取り付けることができます。電気を流すこともできます。エンボステープに収納されています。・材質 黄銅・処理 ニッケル下地スズメッキ・定格電流 40A・締付トルク 6kg・f・cm以下●リール品4SN-4-T 入数:600本4SN-5-T 入数:500本4SN-6-T,4SN-7-T 入数:400本4SN-8-T,4SN-9-T 入数:300本※写真はイメージです。※在庫切れの場合は別途御相談させて頂きます。
単価 ¥
5,000円(税込5,500円)以上の購入で送料無料です。 5,000円(税込5,500円)未満の場合、一律1,000円(税込1,100円)の送料をご負担頂きます。
(0 個) 小計: ¥0(税込:0)
戻る