岡本無線電機の通販サイト | E-JUNCTION(イージャンクション)

  • お見積り依頼
  • お問い合わせ

カテゴリーカテゴリーから探す

5,000円(税込5,500円)以上のご購入で送料無料!5,000円(税込5,500円)以上のご購入で送料無料!

廣杉計器 黄銅 スペーサー(丸型)スリ割付 BRB-2016.5SE

廣杉計器 黄銅 スペーサー(丸型)スリ割付 BRB-2016.5SE

E-Junction価格 : 50円(税込55 円)

標準納期:1週間

最低注文数:50    注文単位数:1 (単位:個)

メーカー:廣杉計器

メーカー品番 :BRB-2016.5SE

メーカーサイトへ

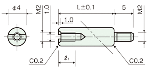
●材質:快削黄銅(C3604BD)カドミウム含有量75ppm未満
●処理:ニッケルメッキ(Ni)
●ネジ径 M=2 ピッチ 0.4 スリ割付
●メネジ取付長さ=5
●L=16.5

数量

  • 単価 ¥

    50円(税込55 円)

5,000円(税込5,500円)以上の購入で送料無料です。
5,000円(税込5,500円)未満の場合、一律1,000円(税込1,100円)の送料をご負担頂きます。

(0 個) 小計: ¥0(税込:0)