岡本無線電機の通販サイト | E-JUNCTION(イージャンクション)

  • お見積り依頼
  • お問い合わせ

カテゴリーカテゴリーから探す

5,000円(税込5,500円)以上のご購入で送料無料!5,000円(税込5,500円)以上のご購入で送料無料!

日之出電機製作所 ヒューズホルダ HT4017T2

日之出電機製作所 ヒューズホルダ HT4017T2

E-Junction価格 : 767円(税込843.70 円)〜 1,060円(税込1,166 円)

  • 注目

数量:1 〜  単価:1,060 円(税込 1,166 円)

数量:10 〜  単価:860 円(税込 946 円)

数量:20 〜  単価:813 円(税込 894.30 円)

数量:100 〜  単価:767 円(税込 843.70 円)

標準納期:3ヶ月

最低注文数:1    注文単位数:1 (単位:個)

メーカー:日之出電機製作所(HINODE)

メーカー品番 :HT4017T2

メーカーサイトへ

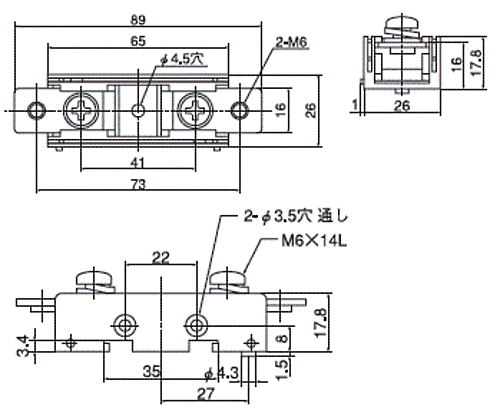
●定格電圧:400V
●定格電流:75A
●適合電線:最大22mm²(M6)
●取り付け:DINレールおよび直付け
●材質:PBT
●ヒューズホルダは連続通電75Aまで
●速断ヒューズ250/350GH用
●ヒューズとケーブルを個別で締結できるため、ヒューズ交換が容易です。

数量

  • 単価 ¥

    767円(税込843.70 円)〜 1,060円(税込1,166 円)

5,000円(税込5,500円)以上の購入で送料無料です。
5,000円(税込5,500円)未満の場合、一律1,000円(税込1,100円)の送料をご負担頂きます。

(0 個) 小計: ¥0(税込:0)

図面

日之出電機製作所 ヒューズホルダ HT4017T2
画像を拡大する

取り付け穴寸法

日之出電機製作所 ヒューズホルダ HT4017T2
画像を拡大する