JavaScript を有効にしてご利用下さい.
岡本無線電機の通販サイト | E-JUNCTION(イージャンクション)
カテゴリーから探す
メーカーから探す
初めてご利用になる方へ
お支払いについて
よくあるお問い合わせ
産業用ロボット向け ソリューション
同軸ソリューション
通信技術ソリューション
電源デバイスソリューション
システムソリューション
ものづくりソリューション
生産設備ソリューション
かんたん30秒!!【無料会員登録】お問い合わせはコチラのページから
メーカー標準価格 :個別見積
☆ お気に入りに追加
標準納期:6ヶ月
最低注文数:52 注文単位数:52 (単位:個)
メーカー:山一電機(YAMAICHI)
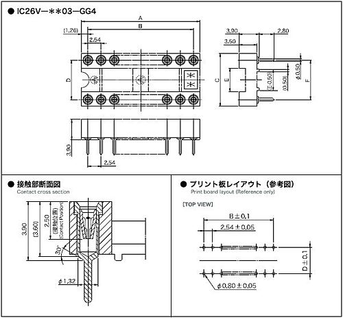
メーカー品番 :IC26V-0803-GG4
・信頼性の高い4点接触の丸ピンコンタクト ・切削スリーブが、はんだ、フラックスの侵入を防止 ・スタンドオフによって、はんだのブローホールを防止 ・RoHS指令対応 製品仕様 ・絶縁抵抗 1000MΩ以上 ・耐電圧 AC700V(1分間) ・接触抵抗 20mΩ以下 ・定格電流 1A ・使用温度 -65℃~+125℃ 材質 ・インシュレータ PA樹脂ガラス入り(UL94V-0) ・コンタクト 銅合金、金めっき ※写真はイメージです。
単価 ¥
5,000円(税込5,500円)以上の購入で送料無料です。 5,000円(税込5,500円)未満の場合、一律1,000円(税込1,100円)の送料をご負担頂きます。
(0 個) 小計: ¥0(税込:0)
戻る