岡本無線電機の通販サイト | E-JUNCTION(イージャンクション)

  • お見積り依頼
  • お問い合わせ

カテゴリーカテゴリーから探す

5,000円(税込5,500円)以上のご購入で送料無料!5,000円(税込5,500円)以上のご購入で送料無料!

サトーパーツ(SATO PARTS) ヒューズホルダー F-4000-B 「在庫掲載」

サトーパーツ(SATO PARTS) ヒューズホルダー F-4000-B 「在庫掲載」

E-Junction価格 : 273円(税込300.30 円)〜 528円(税込580.80 円)

  • 在庫掲載
  • 注目
  • RoHS10対応

数量:1 〜  単価:528 円(税込 580.80 円)

数量:10 〜  単価:472 円(税込 519.20 円)

数量:25 〜  単価:277 円(税込 304.70 円)

数量:100 〜  単価:273 円(税込 300.30 円)

標準納期:2~3日後

現在庫数:24(岡本在庫品)

最低注文数:1    注文単位数:1 (単位:個)

メーカー:サトーパーツ(SATO PARTS)

メーカー品番 :F-4000-B

メーカーサイトへ

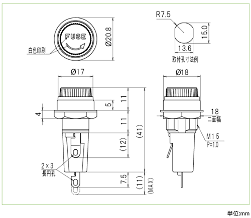
仕様
・定格 250V-10A
・絶縁抵抗 DC500V、100MΩ以上
・耐電圧 AC2000V (1分間)
・取得規格 UL規格・C-UL規格
・絶縁材 (本体) フェノール (UL94V-0)
・絶縁材 (ツマミ) PBT (UL94V-0)
・端子金具 はんだ付け用端子
・本体色 B (黒)
・取付板厚 4.5mm (MAX)
・ナット締付け強度 1.2N・m
・ナット二面幅 18mm
・旧型番 F-7105


使用上の注意
・底部端子は可動式のため、束線等により
端子の動きを妨げないようにしてください。
また、配線後、端子にリード線の張力等が加わらないように
周囲の配線等にご注意ください。
規格品としてご使用の場合は、規格上の制約等をご確認ください。

手はんだ付け(はんだコテ付け)条件
・コテ先温度 390±10℃
・コテ当て時間 5±1秒
・回数 2回

※フロー・リフローは対象外の製品です。
はんだコテによる2回目のはんだ付けは
1回目のはんだ付け後、製品が十分に冷え、
常温に戻ってから行って下さい。
ご使用の際は実使用条件によるご確認をお奨め致します。
なお、上記条件は製品単体にて試験を行い確認したものです。
ヒューズ管の装着ははんだ付け後、製品が十分に冷え、
常温に戻ってから行って下さい。


※写真はイメージです。
※在庫切れの場合は別途御相談させて頂きます。

数量

  • 単価 ¥

    273円(税込300.30 円)〜 528円(税込580.80 円)

5,000円(税込5,500円)以上の購入で送料無料です。
5,000円(税込5,500円)未満の場合、一律1,000円(税込1,100円)の送料をご負担頂きます。

(0 個) 小計: ¥0(税込:0)

寸法図

サトーパーツ(SATO PARTS) ヒューズホルダー F-4000-B 「在庫掲載」
画像を拡大する

ヒューズホルダー取扱い注意事項

https://www.satoparts.co.jp/products/assets/media/caution/FH_precautions.pdf

適合商品

FG-20、FG-30