岡本無線電機の通販サイト | E-JUNCTION(イージャンクション)

  • お見積り依頼
  • お問い合わせ

カテゴリーカテゴリーから探す

5,000円(税込5,500円)以上のご購入で送料無料!5,000円(税込5,500円)以上のご購入で送料無料!

緑測器 手動設定用ダイヤル H-22

緑測器 手動設定用ダイヤル H-22

E-Junction価格 : 個別見積

  • 注目
  • RoHS10対応

標準納期:6ヶ月以上

最低注文数:10    注文単位数:10 (単位:個)

メーカー:緑測器(MIDORI)

メーカー品番 :H-22

メーカーサイトへ

多回転型/手動設定用ダイヤル
多回転型ポテンショメータ:HP-18(別売)とセットでご使用ください。

数量

5,000円(税込5,500円)以上の購入で送料無料です。
5,000円(税込5,500円)未満の場合、一律1,000円(税込1,100円)の送料をご負担頂きます。

(0 個) 小計: ¥0(税込:0)

用途例

緑測器 手動設定用ダイヤル H-22
画像を拡大する

操作盤、試験&実験機:各種設定用

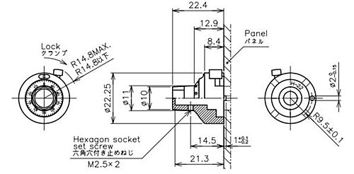
外形図(mm)

緑測器 手動設定用ダイヤル H-22
画像を拡大する

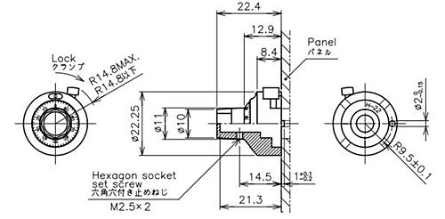
取付図(mm)

緑測器 手動設定用ダイヤル H-22
画像を拡大する