岡本無線電機の通販サイト | E-JUNCTION(イージャンクション)

  • お見積り依頼
  • お問い合わせ

カテゴリーカテゴリーから探す

5,000円(税込5,500円)以上のご購入で送料無料!5,000円(税込5,500円)以上のご購入で送料無料!

緑測器 接触式多回転型センサ CP-45F-24SX 10Kオーム

緑測器 接触式多回転型センサ CP-45F-24SX 10Kオーム

E-Junction価格 : 45,200円(税込49,720 円)

  • 注目
  • RoHS10対応

標準納期:6ヶ月以上

最低注文数:5    注文単位数:1 (単位:個)

メーカー:緑測器(MIDORI)

メーカー品番 :CP-45F-24SX 10K

メーカーサイトへ

1. コンダクティブ・プラスチック抵抗素子を使った接触式の回転角度センサ
2.有効電気角:8400°
3.単独直線性±0.1%

※写真はイメージです。
※在庫切れの場合は別途御相談させて頂きます。

数量

  • 単価 ¥

    45,200円(税込49,720 円)

5,000円(税込5,500円)以上の購入で送料無料です。
5,000円(税込5,500円)未満の場合、一律1,000円(税込1,100円)の送料をご負担頂きます。

(0 個) 小計: ¥0(税込:0)

用途例

緑測器 接触式多回転型センサ CP-45F-24SX 10Kオーム
画像を拡大する

水位計:フロート位置の制御
製函機:設定切替の制御
無人輸送機:操舵角度の制御
射出成型機:金型ストロークの制御

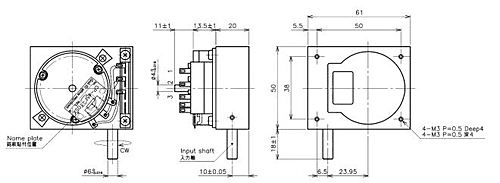
外形図(mm)

緑測器 接触式多回転型センサ CP-45F-24SX 10Kオーム
画像を拡大する

結線・取付図(mm)

緑測器 接触式多回転型センサ CP-45F-24SX 10Kオーム
画像を拡大する